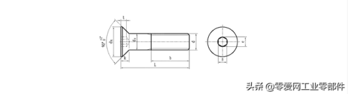
内六角沉头螺栓(螺钉)在不同的场景下有着不同的标准。沉头内六角螺丝也称平杯,沉头内六角螺丝头为圆锥形的,安装之后,螺丝头可以陷入安装面,以保证安装面的平整。内六角沉头螺钉常用于机械上,主要有便于紧固,拆卸,不容易滑角等优势。相对而言,外六角的制造成本要比内六角低得多了,它的优势还有螺头比内六角薄,有的地方不是内六角可以取代的。另外成本低,动力强度小,精度要求低的机械采用的内六角螺丝要比外六角少得多。
下面小编从国标GB、国际ISO、汽标代号Q、德标DIN、美标ASME、英标BS、日标JIS这七个标准下介绍内六角沉头螺栓(螺钉)标准及规格尺寸。
国标GB
GB /T 70.3-2008 内六角沉头螺钉


国际ISO
ISO 10642-2004 内六角沉头螺钉


汽标代号Q
Q 250-2012 内六角沉头螺钉

德标DIN
DIN EN ISO 10642-2013 内六角沉头螺钉


美标ASME
ASME/AI B 18.3-2003(R2008) 内六角沉头螺钉
ASME/AI B 18.3-2003 内键槽沉头螺钉
ASME/AI B 18.3.5M-1986(R2008) 米制内六角沉头螺钉
英标BS
BS 4168-8-1982 米制内六角沉头螺钉

BS 2470-1973 统一螺纹内六角沉头螺钉

日标JIS
JIS B 1194-2006 内六角沉头螺钉

以上是零爱小编分享的关于内六角沉头螺栓(螺钉)标准及规格尺寸,欢迎关注零爱网,每天分享不同产品知识。
最新版权声明:本文内容由互联网用户自发贡献,该文观点仅代表作者本人。本站仅提供信息存储空间服务,不拥有所有权,不承担相关法律责任。如有侵权请联系删除!
